Wyślij do nas e-mail
Aktualności

Budowa i utrzymanie mini kopar

Budowa i utrzymanie mini kopar


Innowacje budowlane i inteligentne konserwacja: małe ciało przewożące duże projekty


Oku

Podwozie i system chodzenia:


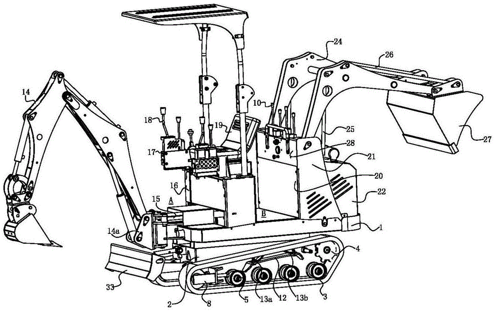
Projektowanie skrętu bez tytułu: modele takie jak Sany Sy18U przyjmują strukturę „zero ogona”, z promieniem obrotu ogonowego wynoszącym zaledwie 0,86 metra, umożliwiając obrót swobodny 360 ° w wąskich tunelach bez zderzenia ze ścianami. Jednocześnie nasz mini koparka 0,8ton może również osiągnąć promień skrętu 1,1 m, umożliwiając bezpłatne i elastyczne działanie w wąskich przestrzeniach.


Regulowana rama ścieżka: Miernik toru można swobodnie regulować (takie jak SY16C obsługujące rozszerzenie i skurcz 980-1350 mm), co ułatwia przekroczenie wąskich alejków 1 metra. Gumowe ciśnienie uziemienia trasy wynosi nawet 25 kPa, chroniąc utwardzony podłoże.


Łożyska smarujące: Podwozie Yanmar wykorzystuje łożyska plastikowe z serii Iglidur G zamiast tradycyjnych łożysk kulowych, które są przeciwnienkowatościowe, antyprzewodowe i utrzymanie, zwiększając żywotność usługi o trzykrotnie.




Układ zasilania i hydrauliczny:


Rewolucja zasilania podwójnego: Mała koparka przyjmuje Kubota KX019, która obsługuje przełączanie Diesla/Electric One Click, pakiet akumulatora 20 kWh zapewnia 8-godzinny zasięg, a szum operacji w pomieszczeniach jest tak niski jak 66 decybeli.


Inteligentna kontrola hydrauliczna: Technologia wrażliwa na obciążenie (taka jak Shengang SK35SR-6) osiąga dokładność rozkładu przepływu ± 1,8%, prędkość reakcji działania złożona o 0,7 sekundy i redukcja zużycia energii o 22%.




Zwiększenie sprzętu roboczego:


Struktura odporna na zużycie: stawowe złącze boomu kompaktowego koparki uległo obróbce cieplnej gaźnej (twardość HRC55+), a wiadro jest spawane płytą oporną na zużycie Hardox500 (twardość HB500), przedłużając żywotność obsługi o 30%.


Patent poruszającego ramiona bocznego: Kubota U-15-3s osiąga lewe odchylenie 595 mm/prawe odchylenie 350 mm, a wykopy montowane na ścianie nie wymaga poruszania ciała.


Urządzenie obrotowe, wszechstronna obsługa 360 °, elastyczna, aby dostosować się do różnych środowisk pracy.


Ulepszenie interakcji komputera człowieka


Przewiń odporną kabinę: certyfikowane przez ROP/FOP (odporne na 16 ton ciśnienia statycznego), wyposażone w pływające siedzenia, ekran dotykowy LCD i monitorowanie widoku przestrzennego AI, zmniejszając ślepe plamki o 40%.


2 、 Konserwacja i codzienna konserwacja:

Złota zasada codziennej konserwacji


Hydrauliczne zarządzanie olejem: Użyj przeciw hydraulicznego oleju hydraulicznego nr 68 w lecie i olej o niskiej lepkości nr 32 w zimie. Regularnie sprawdzaj czystość NAS (≤ poziom 8), aby zapobiec zużyciu pompy i zaworu.


Cykl napełniania masła: Wstrzykiwanie smaru co 10 dni do łożyska obrotowego i wstrzykuj smar pod wysokim ciśnieniem co 4-8 godzin w punkcie zawiasu urządzenia roboczego, aby uniknąć wału szpilki.




Kluczowa technika rozszerzenia życia:


System śledzenia: dostosuj napięcie, aby uniknąć zbyt luźnych (skaczących zębów) lub zbyt ciasno (zużycie przyspieszające); Regularnie czyścić żwir, aby zapobiec awarii uszczelnienia koła podtrzymującego.


Utrzymanie „Trójkąta zużycia żelaza”:

Kontrola butów na pęknięcia/500H

Zęby zębate napędowe są płaskie i natychmiast wymieniane

Należy naprawić wyciek oleju z uszczelki obojętnej

Według statystyk CAT Stowers 80% awarii podwozia jest spowodowane przez te trzy typy komponentów.


Wytyczne dotyczące obsługi ekstremalnych warunków pracy:


DZIAŁANIE WYSOKI WYSOKI: Turbodoładowany silnik mini koparki ma kompensację mocy 15%, a układ hydrauliczny jest wyposażony w zawór kompensacji ciśnieniowej, aby zapobiec utratę przepływu.

Operacja brodzenia wody: we włoskim ratowaniu powodziowym nowoczesny HX35AZ osiągnął głębokość brodzącej 0,8 metra przez moduł uszczelnionego obwodu.


Długoterminowe standardy przechowywania:


Zaparkuj w suchym pokoju, wspieraj tory, aby zmniejszyć ciśnienie uziemienia;

Napełnij zbiornik paliwa, aby zapobiec kondensacji, cofnij wszystkie cylindry hydrauliczne, aby zapobiec starzeniu się uszczelnienia;

Rozpocznij raz na 3 miesiące, aby uniemożliwić płytce obwodu.


3 、 granica technologiczna: elektryfikacja i inteligentna restrukturyzacja ekologii przemysłowej

Rewolucja mocy:


Bateria modułowa: Hitachi ZX55U-6EB obsługuje podwójny napęd komercyjnej mocy i baterii, z 2-godzinnym szybkim ładowaniem, aby sprostać 10 godzin pracy w ciągu 6 godzin.


Test energii wodorowej: HD Hyundai opracował silnik paliwa wodorowego (HX12) w celu osiągnięcia zerowej konstrukcji węgla.


Konserwacja predykcyjna:


Zdalne diagnozę IoT: SANY SY35U jest wyposażony w system HI Mate, który analizuje dane dotyczące temperatury i wibracji oleju w czasie rzeczywistym, z wskaźnikiem dokładności ostrzegawczej usterki 92%.


Pomoc w zakresie konserwacji AR: Kais Micro Excavator zapewnia trening operacyjny VR dla małych koparów, symulując 30 scenariuszy usterki i poprawiając wydajność konserwacji o 40%.


4 、 Praktyczny świadek: Od renowacji starożytnej domu po sprzęt górniczy

Przywrócenie miejsca zamieszkania naukowego dynastii Ming i Qing w Taizhou: Kubota U-15-3s Mała koparka zakończyła wykop podziemnego rurki przez łuk 0,85 metra, a funkcja ruchu boomu chroniła starożytną ścianę z 95%.


Operacje podziemne w chilijskiej kopalni miedzi: kompaktowa koparka ze zmodyfikowaną wzmocnioną kabiną działającą w sposób ciągły przez 300 godzin bez nieprawidłowych funkcji, co spowodowało 23% zmniejszenie kosztów ładowania.


Tokyo Nighttime Municipal Construction: The Pure Electric Version of Sany Sy19E Mini Exacator działa w milczeniu przy 66 decybelach, rozwiązując problem „okna budowy” miasta.


Wniosek: małe ciało ma dużą przyszłość

Od 0,8-tonu ultra-cienkiego modelu po 4-tonowy ciężki wojownik, małe koparki przechodzą potrójną ewolucję precyzyjnych budowy, zróżnicowanych źródeł energii i inteligentnej konserwacji, przekształcając globalny paradygmat budowlany. Z roczną sprzedażą przekraczającą 3100 jednostek na rynku indyjskim i szacunkową wskaźnikiem penetracji 40% dla silników elektrycznych do 2025 r., Ta technologiczna rewolucja „używania małego do uzyskania dużego” ma odkryć złotą szansę na rynku bilionów dolarów.


Doświadczenie w zakresie utrzymania branży:

W przypadku kompaktowych koparów precyzyjna konstrukcja jest kręgosłupem, podczas gdy inteligentna konserwacja jest siłą napędową, oszczędzając koszty konserwacji o 1 juan i zmniejszając koszty naprawy do 10 juanów.



Powiązane wiadomości
Zostaw mi wiadomość
mobilny
Adres
Changjiang West Road, dystrykt Huangdao, miasto Qingdao, prowincja Shandong, Chiny
X
Używamy plików cookie, aby zapewnić lepszą jakość przeglądania, analizować ruch w witrynie i personalizować zawartość. Korzystając z tej witryny, wyrażasz zgodę na używanie przez nas plików cookie. Polityka prywatności
Odrzucić Przyjąć